電動蝶閥

電動硬密封對夾蝶閥 D973H-16C
產品簡介
News Center
新聞中心產品特性:
1.本閥采用三偏心密封結構,閥座與蝶板幾乎無磨損,具有越關越緊的密封功能。
2.密封圈選用鑄鋼或不銹鋼制作,具有金屬硬密封和彈性密封的雙重優點,無論在低溫和高溫的情況下,均具有優良的密封性能,具有耐腐蝕,使用壽命長等特點。
3.蝶板密封面采用堆焊硬質合金,密封面耐磨損,使用壽命長。
4.本閥具有雙向密封功能,安裝時不受介質流向的限制,也不受空間位置的影響,可在任何方向安裝。
5.產品符合國家 GB/T13927-92 閥門壓力試驗標準。
D973H-16C電動硬密封蝶閥主要零件材料:

D973H-16C電動硬密封蝶閥主要性能參數:

D973H-16C電動硬密封蝶閥執行標準:

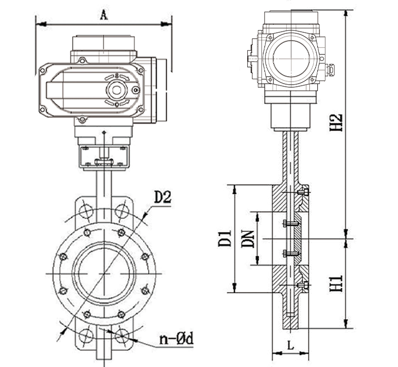
D973H-16C電動硬密封蝶閥結構圖:

D973H-16C電動硬密封蝶閥主要外形連接尺寸:

在線留言