氣動球閥

Q641F46氣動襯氟法蘭球閥
產品簡介
News Center
新聞中心產品型號:Q941F46
公稱通徑:DN15-DN300
公稱壓力:0.6MPa、1.0MPa、1.6MPa
結構形式:兩段式閥體(全襯氟球體)
動作范圍:0~90°
使用溫度:聚四氟乙烯PTFE:-29℃~180℃
適用介質:弱腐蝕性介質以及強酸強堿等
1、采用氟塑料密封,具有高的化學穩定性,可以適用于任何強腐蝕性化學介質。
2、采用全通徑、浮動球結構,閥門可在整個壓力范圍內進行無泄漏關閉,更便于管路系統的通球掃線和管路維護。
3、啟閉件球體與閥桿鑄鍛為一體,杜絕了由于壓力變化引起閥桿沖擊承壓件內的可能性,從根本上保證了工程中的使用安全性。
4、結構緊湊合理,閥體內腔控制小,減小了介質滯留,另外,特殊的模壓工藝,使密封面致密度良好,加之人字型PTFE填料組合,使閥門達到零泄漏。
零件名稱 | 材料名稱 | |||
閥體、閥蓋 | WCB+F46 | 304(CF8)+F46 | 316(CF8M)+F46 | 316L(CF3M)+F46 |
球體 | 2Cr13+F46 | 304+F46 | 316+F46 | 316L+F46 |
閥桿 | 2Cr13+F46 | 304+F46 | 316+F46 | 316L+F46 |
閥座密封圈 | PTFE、碳素纖維+PTFE | |||
密封填料 | 聚四氟乙烯填料 | |||
公稱通徑(mm) | 15 | 20 | 25 | 32 | 40 | 50 | 65 | 80 | 100 | 125 | 150 | 200 | 250 | 300 |
公稱壓力(MPa) | PN1.0、1.6MPa | |||||||||||||
泄漏量 | 軟密封:零泄漏 | |||||||||||||
閥體形式 | 兩段式閥體(浮動球體) | 兩段式閥體(固定球體) | ||||||||||||
閥芯形式 | "O"型球形閥芯 | |||||||||||||
密封填料 | 聚四氟乙烯(PTFE) | |||||||||||||
連接形式 | 法蘭 | |||||||||||||
可調范圍 | DN15-65 | DN80-300 | ||||||||||||
250:1 | ||||||||||||||
基本誤差 | 帶定位器:小于全行程的±2% | |||||||||||||
死區 | 帶定位器:小于全行程的2% | |||||||||||||
適用溫度 | 密封面 | |||||||||||||
PTFE≤150℃ | ||||||||||||||
配置執行機構 | AT、AW系列單雙作用氣動執行機構 | |||||||||||||
控制方式 | 開關兩位控制、4-20mA模擬量控制 | |||||||||||||

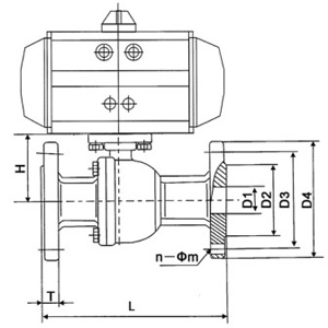
公稱通徑DN(mm) | 主要尺寸 | 法蘭尺寸 | |||||||||
PN1.6MPa | PN2.5MPa | ||||||||||
L | H | L1 | D | D1 | D2 | n-φd | D | D1 | D2 | n-φd | |
15 | 130 | 185 | 140 | 95 | 65 | 46 | 4-14 | 95 | 65 | 46 | 4-14 |
20 | 140 | 191 | 140 | 105 | 75 | 45 | 4-14 | 105 | 75 | 56 | 4-14 |
25 | 150 | 193 | 140 | 115 | 85 | 65 | 4-14 | 115 | 85 | 65 | 4-14 |
32 | 165 | 212 | 164 | 140 | 100 | 76 | 4-18 | 140 | 100 | 76 | 4-18 |
40 | 180 | 217 | 164 | 150 | 110 | 84 | 4-18 | 150 | 110 | 84 | 4-18 |
50 | 200 | 260 | 190 | 165 | 125 | 99 | 4-18 | 165 | 125 | 99 | 4-18 |
65 | 220 | 293 | 210 | 185 | 145 | 118 | 4-18 | 185 | 145 | 118 | 8-18 |
80 | 250 | 323 | 247 | 200 | 160 | 132 | 8-18 | 200 | 160 | 132 | 8-18 |
100 | 280 | 382 | 276 | 220 | 180 | 156 | 8-18 | 235 | 190 | 156 | 8-22 |
125 | 320 | 468 | 348 | 250 | 210 | 184 | 8-18 | 270 | 220 | 184 | 8-26 |
150 | 360 | 510 | 378 | 285 | 240 | 211 | 8-22 | 300 | 250 | 211 | 8-26 |
200 | 400 | 655 | 524 | 340 | 295 | 266 | 12-22 | 360 | 310 | 274 | 12-26 |
250 | 630 | / | / | 405 | 355 | 319 | 12-26 | 425 | 370 | 330 | 12-30 |
300 | 750 | / | / | 460 | 410 | 370 | 12-26 | 485 | 430 | 389 | 16-30 |
在線留言